OEM ЗАПЧАСТИ

  info@automotohub.ru   8 (916) 294-84-77
  О Компании   Оплата и Доставка   Помощь   Обратная связь

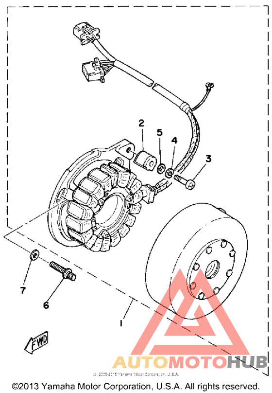
C - d - i magneto

для Yamaha SR500G
Yamaha
{modalWnd}