OEM ЗАПЧАСТИ

  info@automotohub.ru   8 (916) 294-84-77
  О Компании   Оплата и Доставка   Помощь   Обратная связь

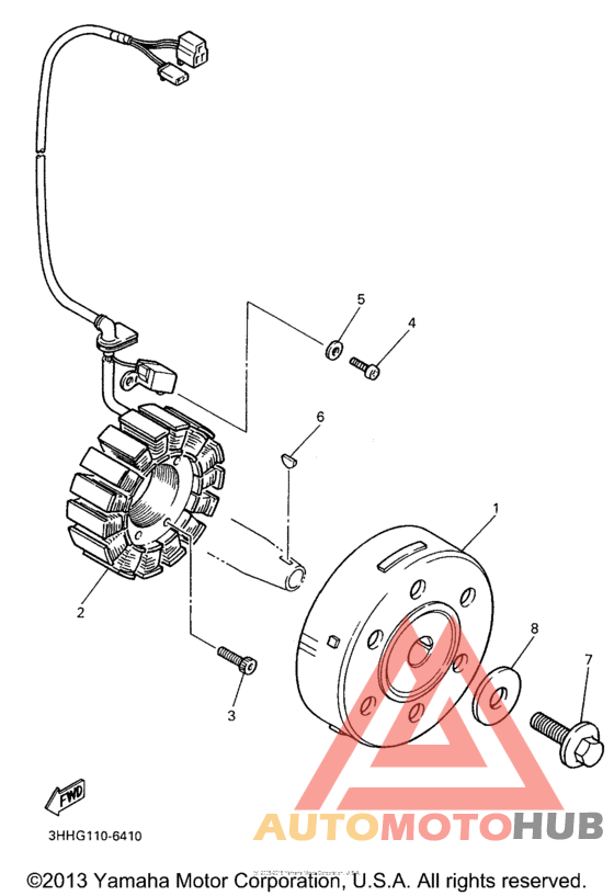
Генератор

для Yamaha FZR600RHC FZR600 Genesis
Yamaha
{modalWnd}