OEM ЗАПЧАСТИ

  info@automotohub.ru   8 (916) 294-84-77
  О Компании   Оплата и Доставка   Помощь   Обратная связь

RS VIKING PROFESSIONAL VK10X (2008)

RS VIKING PROFESSIONAL  VK10X (2008)
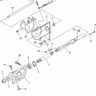
Выбирайте узел вашей техники:


{modalWnd}