OEM ЗАПЧАСТИ

  info@automotohub.ru   8 (916) 294-84-77
  О Компании   Оплата и Доставка   Помощь   Обратная связь

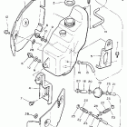
EXCITER LE (ELEC START)-EX 570E (1990)

EXCITER LE (ELEC START)-EX 570E (1990)
{modalWnd}