OEM ЗАПЧАСТИ

  info@automotohub.ru   8 (916) 294-84-77
  О Компании   Оплата и Доставка   Помощь   Обратная связь

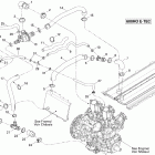
MX Z TNT 600 H.O. E-TEC (MJ9A, Early Edition) (2009)

MX Z TNT 600 H.O. E-TEC (MJ9A, Early Edition) (2009)
{modalWnd}