OEM ЗАПЧАСТИ

  info@automotohub.ru   8 (916) 294-84-77
  О Компании   Оплата и Доставка   Помощь   Обратная связь

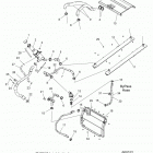
S17DDE6PSL 600 SWITCHBACK ADVENTURE (2017)

S17DDE6PSL 600 SWITCHBACK ADVENTURE (2017)
Выбирайте узел вашей техники:


{modalWnd}