OEM ЗАПЧАСТИ

  info@automotohub.ru   8 (916) 294-84-77
  О Компании   Оплата и Доставка   Помощь   Обратная связь

WIDETRAK LX INTL - S12SU4BEL (2012)

WIDETRAK LX INTL - S12SU4BEL (2012)
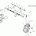
Выбирайте узел вашей техники:


{modalWnd}