OEM ЗАПЧАСТИ

  info@automotohub.ru   8 (916) 294-84-77
  О Компании   Оплата и Доставка   Помощь   Обратная связь

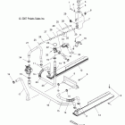
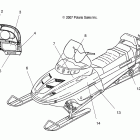
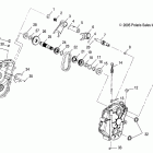
WIDETRAK LX/EURO-S09SU4BS/BE (2009)

WIDETRAK LX/EURO-S09SU4BS/BE (2009)
Выбирайте узел вашей техники:


{modalWnd}