OEM ЗАПЧАСТИ

  info@automotohub.ru   8 (916) 294-84-77
  О Компании   Оплата и Доставка   Помощь   Обратная связь

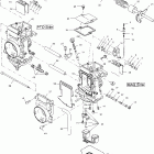
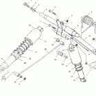
500 CLASSIC TOURING - S02ST4BS (2002)

500 CLASSIC TOURING - S02ST4BS (2002)
{modalWnd}