OEM ЗАПЧАСТИ

  info@automotohub.ru   8 (916) 294-84-77
  О Компании   Оплата и Доставка   Помощь   Обратная связь

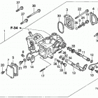
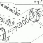
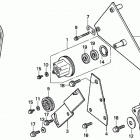
H5518 NA2-B MULTI-PURPOSE TRACTOR, JPN, VIN# TZAC-2000001 TO TZAC-2499999 (Все)

H5518 NA2-B MULTI-PURPOSE TRACTOR, JPN, VIN# TZAC-2000001 TO TZAC-2499999 (Все)
{modalWnd}