OEM ЗАПЧАСТИ

  info@automotohub.ru   8 (916) 294-84-77
  О Компании   Оплата и Доставка   Помощь   Обратная связь

Steering handle. cable

для Yamaha YZF750R YZF750
Yamaha
Steering handle. cable
Steering handle. cable
#кодцена
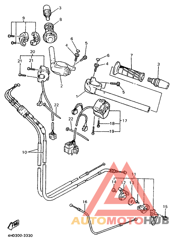
01
4FM-26121-01-00
Деталь Handlebar (Left)
узнать
цену
узнать цену
02
4FM-26122-00-00
Деталь Handlebar (Right)
узнать
цену
узнать цену
03
36Y-26246-00-00
Наконечник
узнать
цену
узнать цену
04узнать
цену
узнать цену
05узнать
цену
узнать цену
06
10L-23469-00-00
Деталь Cap, Bolt
узнать
цену
узнать цену
07
4FM-26241-01-00
Рукоятка (левая)
узнать
цену
узнать цену
07
4FM-26241-00-00
Рукоятка
узнать
цену
узнать цену
08
4FM-26240-01-00
Рукоятка
узнать
цену
узнать цену
08
4FM-26240-00-00
Рукоятка
узнать
цену
узнать цену
09
3LN-26270-01-00
Деталь Cap Grip Assy
узнать
цену
узнать цену
10
4FM-26302-20-00
Трос газа
узнать
цену
узнать цену
11
4FM-83940-01-00
Стартер
узнать
цену
узнать цену
11
4FM-83940-00-00
Стартер
узнать
цену
узнать цену
12
1WG-83941-01-00
Ручка стартера
узнать
цену
узнать цену
12
1WG-83941-00-00
Ручка стартера
узнать
цену
узнать цену
13
90209-10131-00
Шайба
узнать
цену
узнать цену
14узнать
цену
узнать цену
15узнать
цену
узнать цену
16
3FV-26331-00-00
Кабель стартера
узнать
цену
узнать цену
17
3GM-83969-01-00
Кнопка
узнать
цену
узнать цену
18узнать
цену
узнать цену
18узнать
цену
узнать цену
19узнать
цену
узнать цену
20
4UN-83975-01-00
Кнопка
узнать
цену
узнать цену
20
4FM-83975-00-00
Кнопка
узнать
цену
узнать цену
21узнать
цену
узнать цену
22
25G-83936-01-00
Комплект переключателяя
узнать
цену
узнать цену
{modalWnd}