OEM ЗАПЧАСТИ

  info@automotohub.ru   8 (916) 294-84-77
  О Компании   Оплата и Доставка   Помощь   Обратная связь

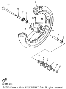
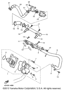
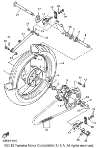
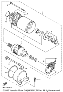
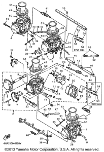
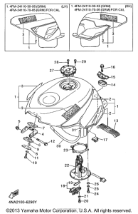
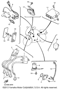
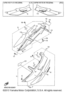
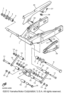
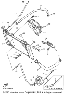
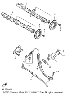
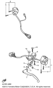
Запчасти для мотоциклов Yamaha YZF600RHC Thundercat

Год: 1996  •  Код модели: 4NC2  •  Объем двигателя: 600
Запчасти для мотоциклов Yamaha YZF600RHC Thundercat
{modalWnd}