OEM ЗАПЧАСТИ

  info@automotohub.ru   8 (916) 294-84-77
  О Компании   Оплата и Доставка   Помощь   Обратная связь

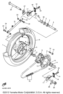
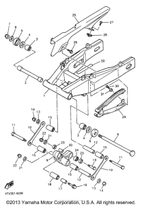
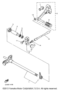
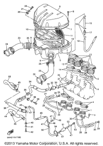
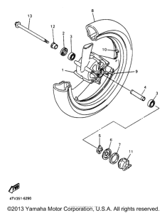
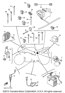
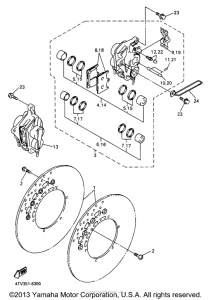
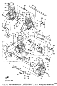
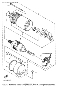
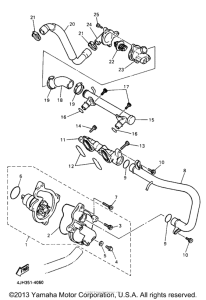
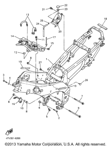
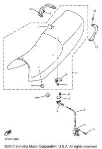
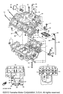
Запчасти для мотоциклов Yamaha YZF600RJ Thundercat

Год: 1997  •  Код модели: 5AH1  •  Объем двигателя: 600
Запчасти для мотоциклов Yamaha YZF600RJ Thundercat
{modalWnd}