OEM ЗАПЧАСТИ

  info@automotohub.ru   8 (916) 294-84-77
  О Компании   Оплата и Доставка   Помощь   Обратная связь

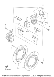
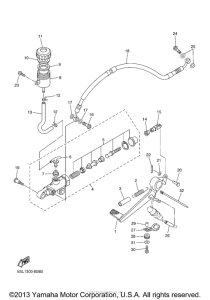
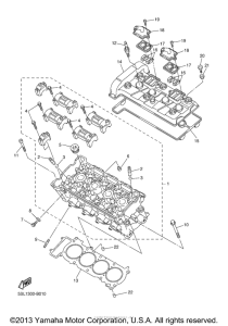
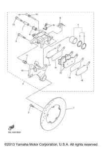
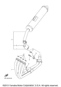
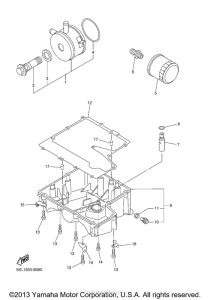
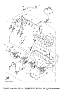
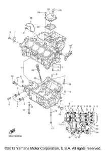
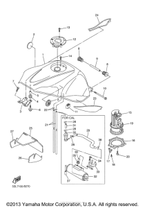
Запчасти для мотоциклов Yamaha YZF-R6S R6S

Год: 2003  •  Код модели: 5SL7  •  Объем двигателя: 600
Запчасти для мотоциклов Yamaha YZF-R6S R6S
{modalWnd}