OEM ЗАПЧАСТИ

  info@automotohub.ru   8 (916) 294-84-77
  О Компании   Оплата и Доставка   Помощь   Обратная связь

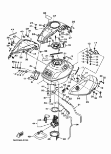
Запчасти для мотоциклов Yamaha YZF-R3A

Год: 2016  •  Код модели: B02C  •  Объем двигателя: 300
Запчасти для мотоциклов Yamaha YZF-R3A
{modalWnd}