OEM ЗАПЧАСТИ

  info@automotohub.ru   8 (916) 294-84-77
  О Компании   Оплата и Доставка   Помощь   Обратная связь

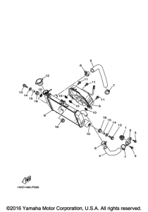
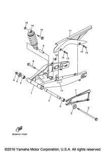
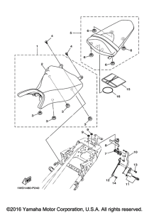
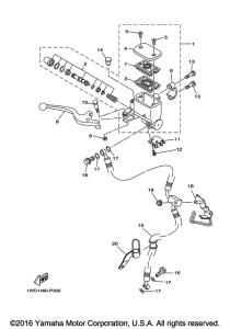
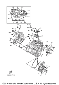
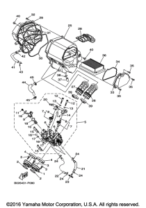
Запчасти для мотоциклов Yamaha YZFR3GGY

Год: 2016  •  Код модели: 2MS3
Запчасти для мотоциклов Yamaha YZFR3GGY
{modalWnd}