OEM ЗАПЧАСТИ

  info@automotohub.ru   8 (916) 294-84-77
  О Компании   Оплата и Доставка   Помощь   Обратная связь

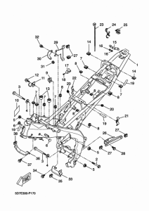
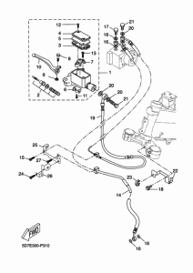
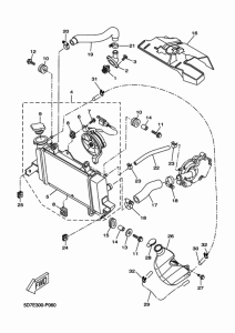
Запчасти для мотоциклов Yamaha YZF-R125A

Год: 2015  •  Код модели: 5D7N  •  Объем двигателя: 125
Запчасти для мотоциклов Yamaha YZF-R125A
{modalWnd}