OEM ЗАПЧАСТИ

  info@automotohub.ru   8 (916) 294-84-77
  О Компании   Оплата и Доставка   Помощь   Обратная связь

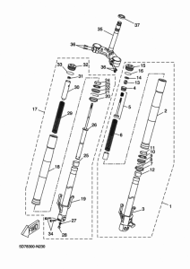
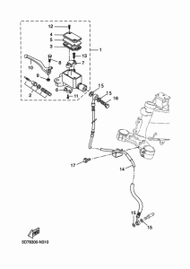
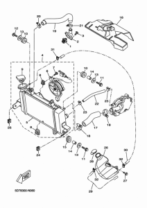
Запчасти для мотоциклов Yamaha YZF-R125

Год: 2014  •  Код модели: 5D7K  •  Объем двигателя: 125
Запчасти для мотоциклов Yamaha YZF-R125
{modalWnd}