OEM ЗАПЧАСТИ

  info@automotohub.ru   8 (916) 294-84-77
  О Компании   Оплата и Доставка   Помощь   Обратная связь

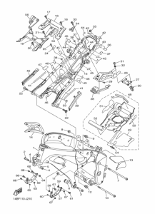
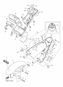
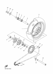
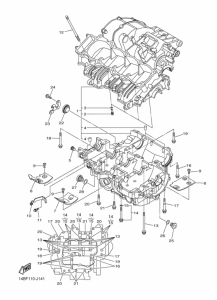
Запчасти для мотоциклов Yamaha YZF-R1 R1

Год: 2010  •  Код модели: 14BN  •  Объем двигателя: 1000
Запчасти для мотоциклов Yamaha YZF-R1 R1
Выбирайте узел вашей техники:


{modalWnd}