OEM ЗАПЧАСТИ

  info@automotohub.ru   8 (916) 294-84-77
  О Компании   Оплата и Доставка   Помощь   Обратная связь

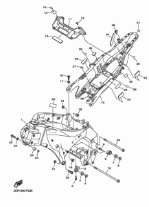
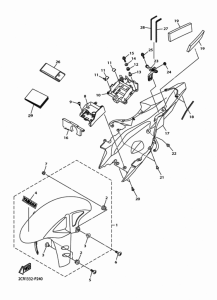
Запчасти для мотоциклов Yamaha YZF-R1 R1

Год: 2015  •  Код модели: 2CR1  •  Объем двигателя: 1000
Запчасти для мотоциклов Yamaha YZF-R1 R1
{modalWnd}