OEM ЗАПЧАСТИ

  info@automotohub.ru   8 (916) 294-84-77
  О Компании   Оплата и Доставка   Помощь   Обратная связь

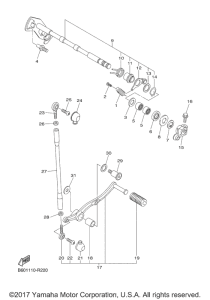
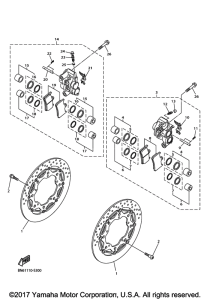
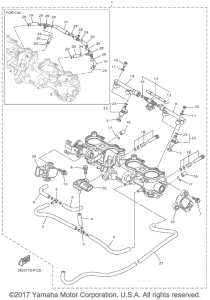
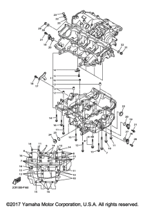
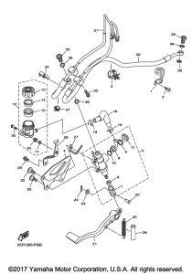
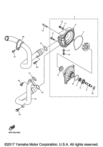
Запчасти для мотоциклов Yamaha YZF-R1S R1S Limited Edition

Год: 2017  •  Код модели: B604  •  Объем двигателя: 1000
Запчасти для мотоциклов Yamaha YZF-R1S R1S Limited Edition
{modalWnd}