OEM ЗАПЧАСТИ

  info@automotohub.ru   8 (916) 294-84-77
  О Компании   Оплата и Доставка   Помощь   Обратная связь

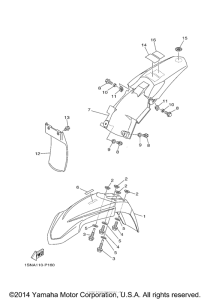
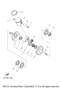
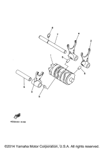
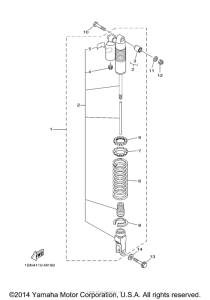
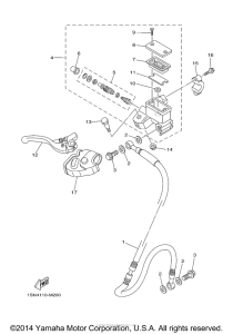
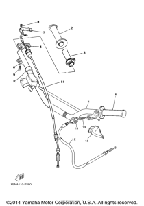
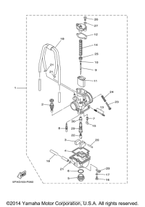
Запчасти для мотоциклов Yamaha YZ85F

Год: 2015  •  Объем двигателя: 85
Запчасти для мотоциклов Yamaha YZ85F
{modalWnd}