OEM ЗАПЧАСТИ

  info@automotohub.ru   8 (916) 294-84-77
  О Компании   Оплата и Доставка   Помощь   Обратная связь

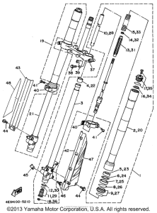
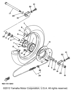
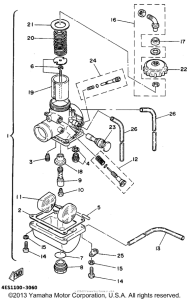
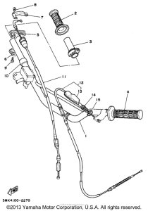
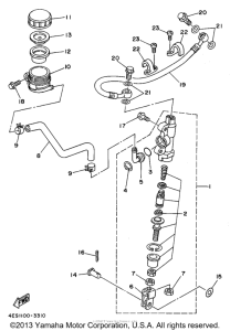
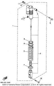
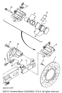
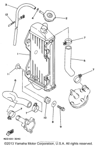
Запчасти для мотоциклов Yamaha YZ80G1

Год: 1995  •  Объем двигателя: 80
Запчасти для мотоциклов Yamaha YZ80G1
{modalWnd}