OEM ЗАПЧАСТИ

  info@automotohub.ru   8 (916) 294-84-77
  О Компании   Оплата и Доставка   Помощь   Обратная связь

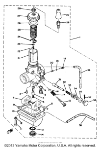
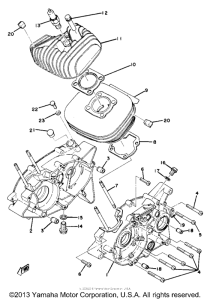
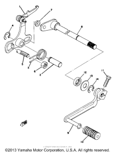
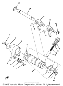
Запчасти для мотоциклов Yamaha YZ80D

Год: 1977  •  Объем двигателя: 800
Запчасти для мотоциклов Yamaha YZ80D
{modalWnd}