OEM ЗАПЧАСТИ

  info@automotohub.ru   8 (916) 294-84-77
  О Компании   Оплата и Доставка   Помощь   Обратная связь

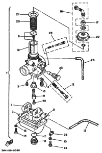
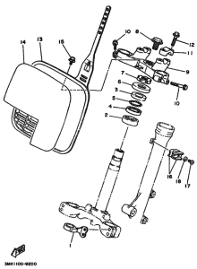
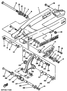
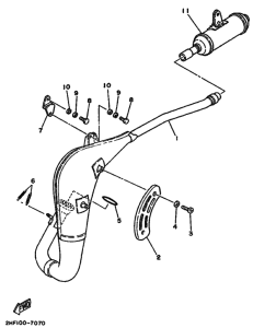
Запчасти для мотоциклов Yamaha YZ80 YZ80W

Год: 1989  •  Код модели: 3MM1  •  Объем двигателя: 80
Запчасти для мотоциклов Yamaha YZ80 YZ80W
Выбирайте узел вашей техники:


{modalWnd}