OEM ЗАПЧАСТИ

  info@automotohub.ru   8 (916) 294-84-77
  О Компании   Оплата и Доставка   Помощь   Обратная связь

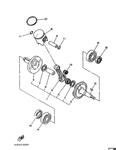
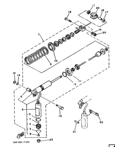
Запчасти для мотоциклов Yamaha YZ80T

Год: 1992  •  Код модели: 2HF  •  Объем двигателя: 80
Запчасти для мотоциклов Yamaha YZ80T
{modalWnd}