OEM ЗАПЧАСТИ

  info@automotohub.ru   8 (916) 294-84-77
  О Компании   Оплата и Доставка   Помощь   Обратная связь

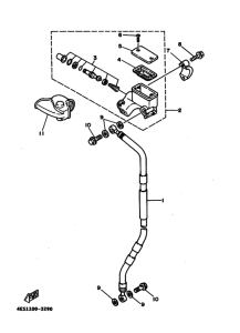
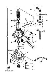
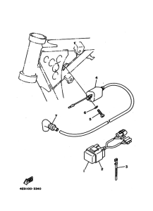
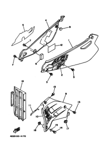
Запчасти для мотоциклов Yamaha YZ80 YZ80F

Год: 1994  •  Код модели: 4ES3  •  Объем двигателя: 80
Запчасти для мотоциклов Yamaha YZ80 YZ80F
Выбирайте узел вашей техники:


{modalWnd}