OEM ЗАПЧАСТИ

  info@automotohub.ru   8 (916) 294-84-77
  О Компании   Оплата и Доставка   Помощь   Обратная связь

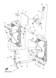
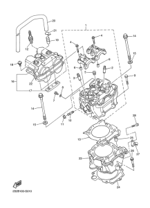
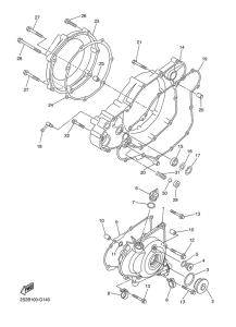
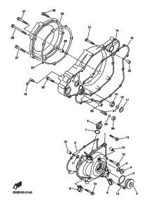
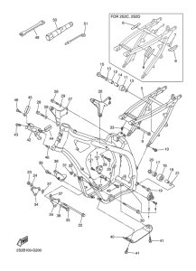
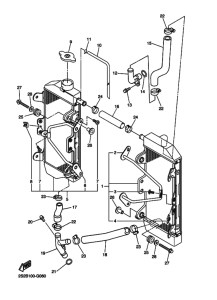
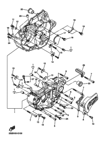
Запчасти для мотоциклов Yamaha YZ450F

Год: 2008  •  Код модели: 2S2D  •  Объем двигателя: 450
Запчасти для мотоциклов Yamaha  YZ450F
Выбирайте узел вашей техники:


{modalWnd}