OEM ЗАПЧАСТИ

  info@automotohub.ru   8 (916) 294-84-77
  О Компании   Оплата и Доставка   Помощь   Обратная связь

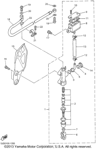
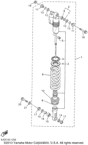
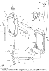
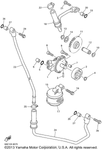
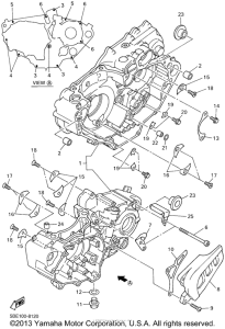
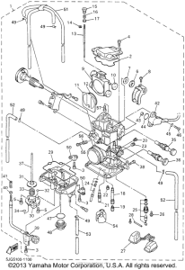
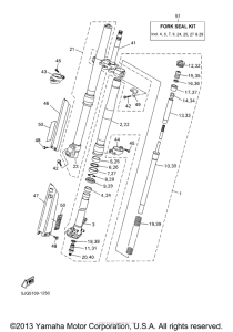
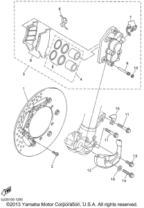
Запчасти для мотоциклов Yamaha YZ426FN

Год: 2001  •  Объем двигателя: 426
Запчасти для мотоциклов Yamaha YZ426FN
{modalWnd}