OEM ЗАПЧАСТИ

  info@automotohub.ru   8 (916) 294-84-77
  О Компании   Оплата и Доставка   Помощь   Обратная связь

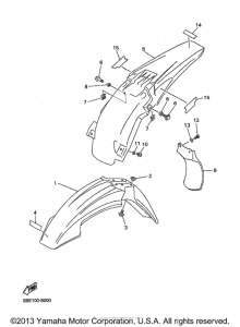
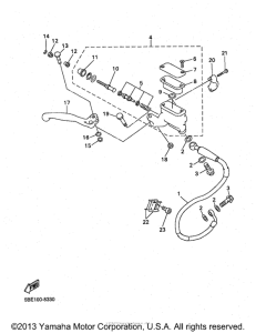
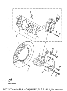
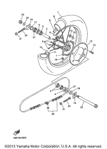
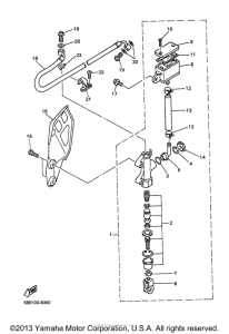
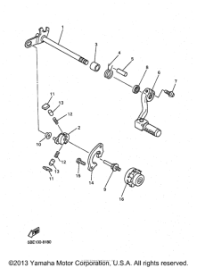
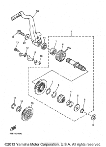
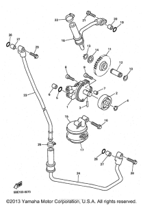
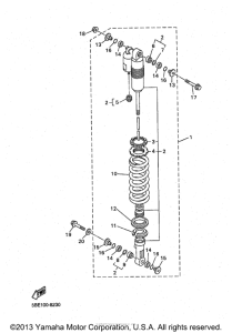
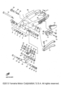
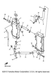
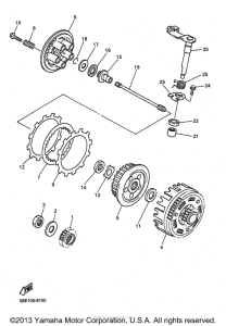
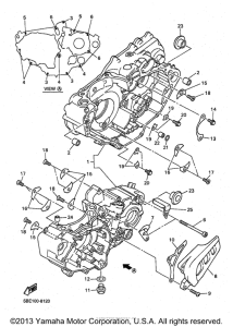
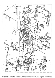
Запчасти для мотоциклов Yamaha YZ400FK YZ400F

Год: 1998  •  Объем двигателя: 400
Запчасти для мотоциклов Yamaha YZ400FK YZ400F
{modalWnd}