OEM ЗАПЧАСТИ

  info@automotohub.ru   8 (916) 294-84-77
  О Компании   Оплата и Доставка   Помощь   Обратная связь

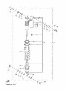
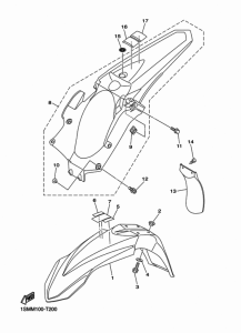
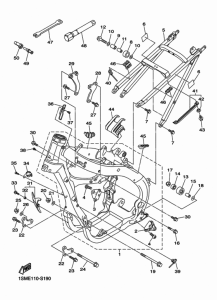
Запчасти для мотоциклов Yamaha YZ250F

Год: 2018  •  Код модели: 1SMM  •  Объем двигателя: 250
Запчасти для мотоциклов Yamaha  YZ250F
Выбирайте узел вашей техники:


{modalWnd}