OEM ЗАПЧАСТИ

  info@automotohub.ru   8 (916) 294-84-77
  О Компании   Оплата и Доставка   Помощь   Обратная связь

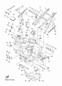
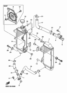
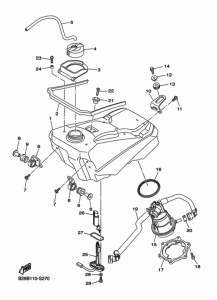
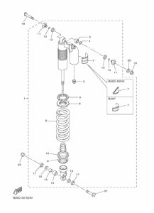
Запчасти для мотоциклов Yamaha YZ250FX

Год: 2017  •  Код модели: B29C  •  Объем двигателя: 250
Запчасти для мотоциклов Yamaha  YZ250FX
{modalWnd}