OEM ЗАПЧАСТИ

  info@automotohub.ru   8 (916) 294-84-77
  О Компании   Оплата и Доставка   Помощь   Обратная связь

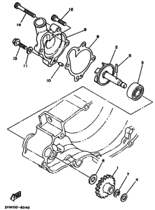
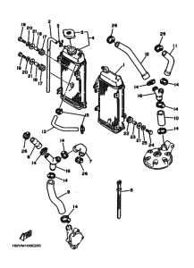
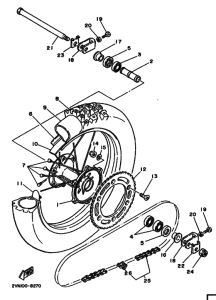
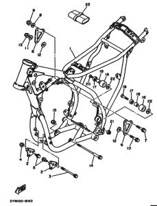
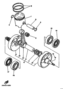
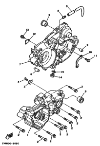
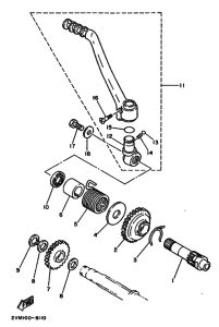
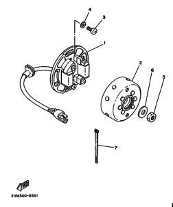
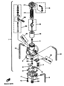
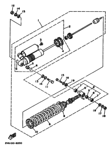
Запчасти для мотоциклов Yamaha YZ250 YZ250U

Год: 1988  •  Код модели: 2VM0  •  Объем двигателя: 250
Запчасти для мотоциклов Yamaha YZ250 YZ250U
{modalWnd}