OEM ЗАПЧАСТИ

  info@automotohub.ru   8 (916) 294-84-77
  О Компании   Оплата и Доставка   Помощь   Обратная связь

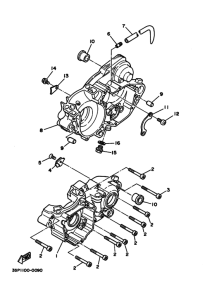
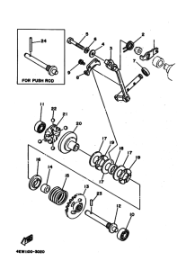
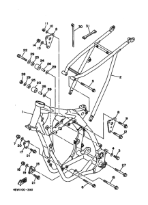
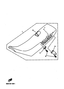
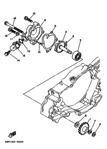
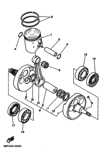
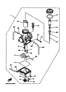
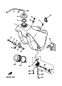
Запчасти для мотоциклов Yamaha YZ250

Год: 1995  •  Код модели: 4MX3  •  Объем двигателя: 250
Запчасти для мотоциклов Yamaha YZ250
{modalWnd}