OEM ЗАПЧАСТИ

  info@automotohub.ru   8 (916) 294-84-77
  О Компании   Оплата и Доставка   Помощь   Обратная связь

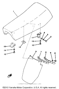
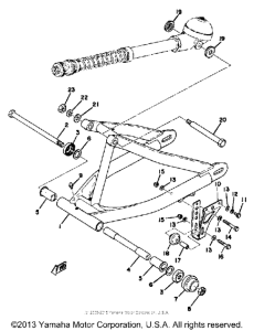
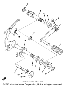
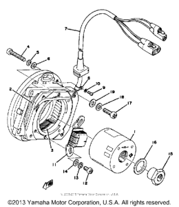
Запчасти для мотоциклов Yamaha YZ125C

Год: 1976  •  Объем двигателя: 125
Запчасти для мотоциклов Yamaha YZ125C
{modalWnd}