OEM ЗАПЧАСТИ

  info@automotohub.ru   8 (916) 294-84-77
  О Компании   Оплата и Доставка   Помощь   Обратная связь

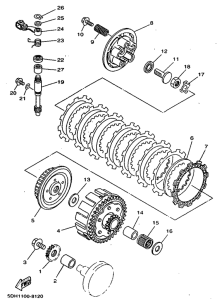
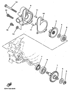
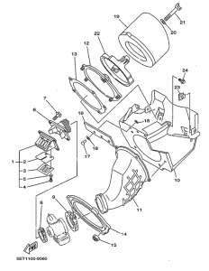
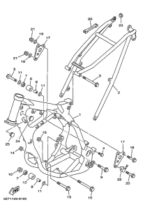
Запчасти для мотоциклов Yamaha YZ125L

Год: 1999  •  Код модели: 5ET1  •  Объем двигателя: 125
Запчасти для мотоциклов Yamaha YZ125L
{modalWnd}