OEM ЗАПЧАСТИ

  info@automotohub.ru   8 (916) 294-84-77
  О Компании   Оплата и Доставка   Помощь   Обратная связь

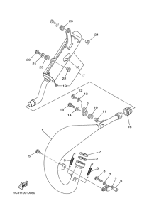
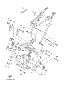
Запчасти для мотоциклов Yamaha YZ125T1

Год: 2005  •  Код модели: 1C34  •  Объем двигателя: 125
Запчасти для мотоциклов Yamaha YZ125T1
Выбирайте узел вашей техники:


{modalWnd}