OEM ЗАПЧАСТИ

  info@automotohub.ru   8 (916) 294-84-77
  О Компании   Оплата и Доставка   Помощь   Обратная связь

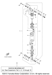
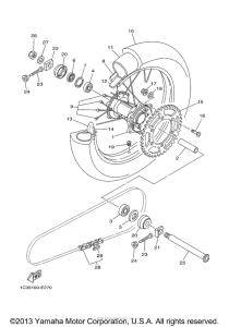
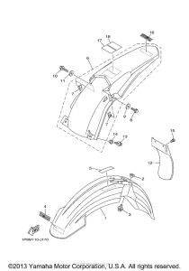
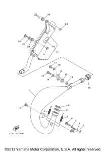
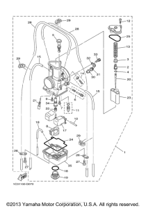
Запчасти для мотоциклов Yamaha YZ125Z

Год: 2010  •  Объем двигателя: 125
Запчасти для мотоциклов Yamaha YZ125Z
Выбирайте узел вашей техники:


{modalWnd}