OEM ЗАПЧАСТИ

  info@automotohub.ru   8 (916) 294-84-77
  О Компании   Оплата и Доставка   Помощь   Обратная связь

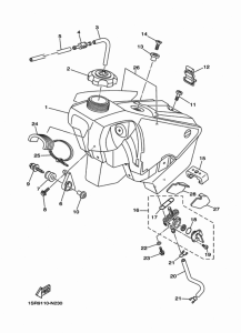
Запчасти для мотоциклов Yamaha YZ125

Год: 2014  •  Код модели: 1SR9  •  Объем двигателя: 125
Запчасти для мотоциклов Yamaha YZ125
Выбирайте узел вашей техники:


{modalWnd}