OEM ЗАПЧАСТИ

  info@automotohub.ru   8 (916) 294-84-77
  О Компании   Оплата и Доставка   Помощь   Обратная связь

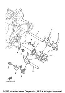
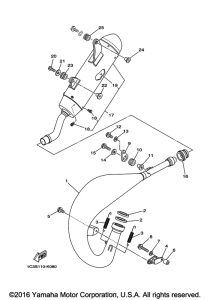
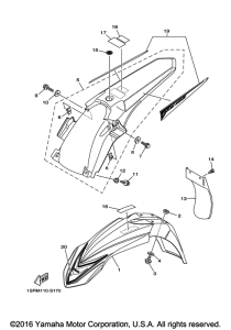
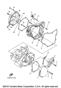
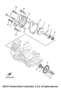
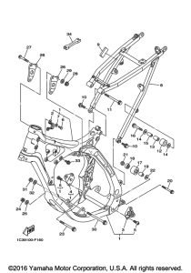
Запчасти для мотоциклов Yamaha YZ125H2

Год: 2017  •  Объем двигателя: 125
Запчасти для мотоциклов Yamaha YZ125H2
Выбирайте узел вашей техники:


{modalWnd}