OEM ЗАПЧАСТИ

  info@automotohub.ru   8 (916) 294-84-77
  О Компании   Оплата и Доставка   Помощь   Обратная связь

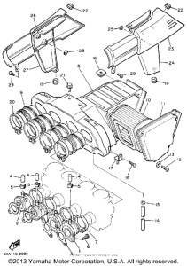
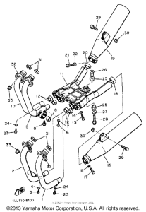
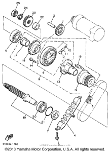
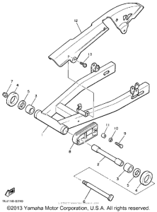
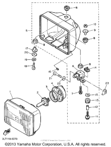
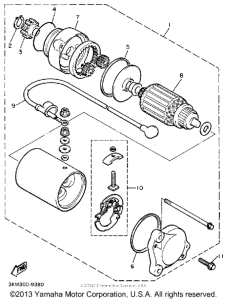
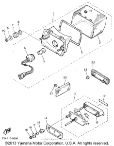
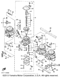
Запчасти для мотоциклов Yamaha YX600WC Radian

Год: 1989  •  Объем двигателя: 600
Запчасти для мотоциклов Yamaha YX600WC Radian
Выбирайте узел вашей техники:


{modalWnd}