OEM ЗАПЧАСТИ

  info@automotohub.ru   8 (916) 294-84-77
  О Компании   Оплата и Доставка   Помощь   Обратная связь

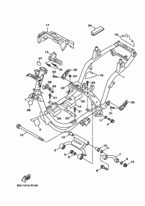
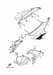
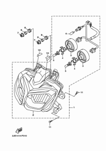
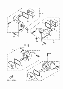
Запчасти для мотоциклов Yamaha YW125 BW'S

Год: 2017  •  Код модели: BC94  •  Объем двигателя: 125
Запчасти для мотоциклов Yamaha YW125 BW'S
Выбирайте узел вашей техники:


{modalWnd}