OEM ЗАПЧАСТИ

  info@automotohub.ru   8 (916) 294-84-77
  О Компании   Оплата и Доставка   Помощь   Обратная связь

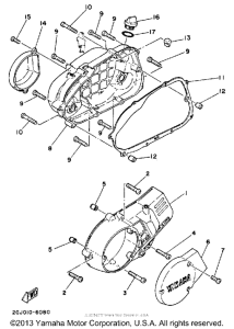
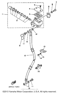
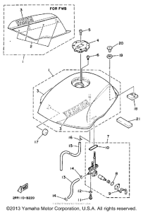
Запчасти для мотоциклов Yamaha YSR50U

Год: 1988  •  Объем двигателя: 50
Запчасти для мотоциклов Yamaha YSR50U
{modalWnd}