OEM ЗАПЧАСТИ

  info@automotohub.ru   8 (916) 294-84-77
  О Компании   Оплата и Доставка   Помощь   Обратная связь

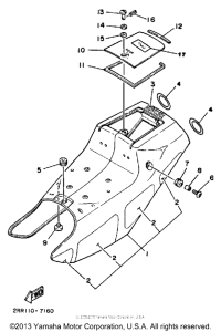
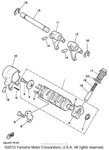
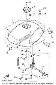
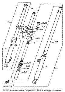
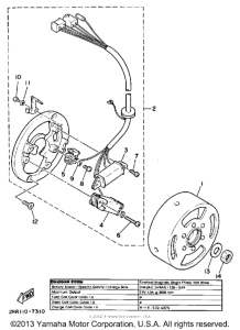
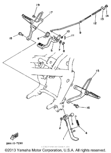
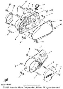
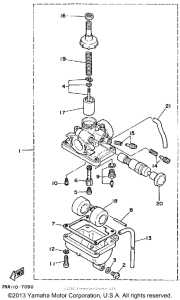
Запчасти для мотоциклов Yamaha YSR50T

Год: 1987  •  Объем двигателя: 50
Запчасти для мотоциклов Yamaha YSR50T
{modalWnd}