OEM ЗАПЧАСТИ

  info@automotohub.ru   8 (916) 294-84-77
  О Компании   Оплата и Доставка   Помощь   Обратная связь

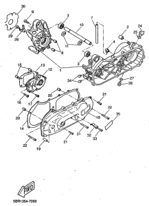
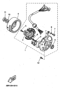
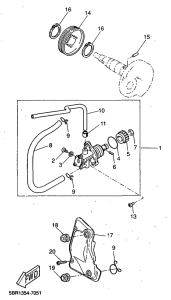
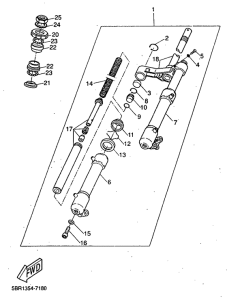
Запчасти для мотоциклов Yamaha YQ50 Aerox

Год: 1998  •  Код модели: 5CL3  •  Объем двигателя: 50
Запчасти для мотоциклов Yamaha YQ50 Aerox
Выбирайте узел вашей техники:


{modalWnd}