OEM ЗАПЧАСТИ

  info@automotohub.ru   8 (916) 294-84-77
  О Компании   Оплата и Доставка   Помощь   Обратная связь

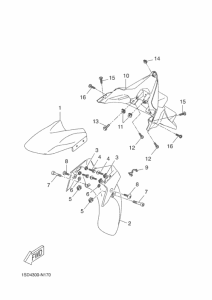
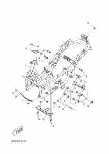
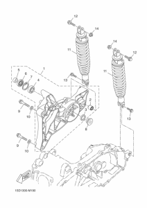
Запчасти для мотоциклов Yamaha YP400R

Год: 2014
Запчасти для мотоциклов Yamaha YP400R
Выбирайте узел вашей техники:


{modalWnd}