OEM ЗАПЧАСТИ

  info@automotohub.ru   8 (916) 294-84-77
  О Компании   Оплата и Доставка   Помощь   Обратная связь

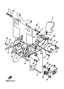
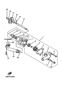
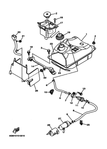
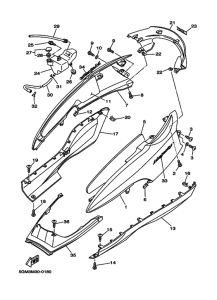
Запчасти для мотоциклов Yamaha YP250 Skyliner

Год: 2000  •  Код модели: 5GM3  •  Объем двигателя: 250
Запчасти для мотоциклов Yamaha YP250 Skyliner
Выбирайте узел вашей техники:


{modalWnd}