OEM ЗАПЧАСТИ

  info@automotohub.ru   8 (916) 294-84-77
  О Компании   Оплата и Доставка   Помощь   Обратная связь

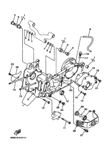
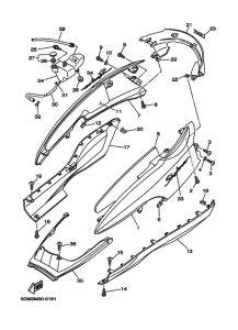
Запчасти для мотоциклов Yamaha YP250 Majesty

Год: 2001  •  Код модели: 5GMA  •  Объем двигателя: 250
Запчасти для мотоциклов Yamaha YP250 Majesty
Выбирайте узел вашей техники:


{modalWnd}