OEM ЗАПЧАСТИ

  info@automotohub.ru   8 (916) 294-84-77
  О Компании   Оплата и Доставка   Помощь   Обратная связь

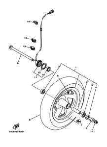
Запчасти для мотоциклов Yamaha YP250C Majesty

Год: 2003  •  Код модели: 5SJD  •  Объем двигателя: 250
Запчасти для мотоциклов Yamaha YP250C Majesty
Выбирайте узел вашей техники:


{modalWnd}