OEM ЗАПЧАСТИ

  info@automotohub.ru   8 (916) 294-84-77
  О Компании   Оплата и Доставка   Помощь   Обратная связь

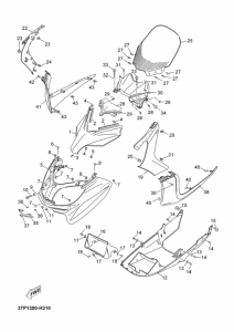
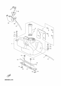
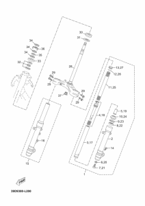
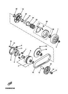
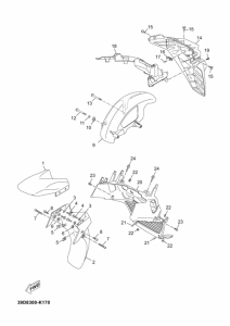
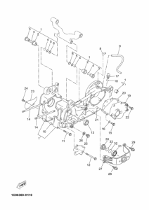
Запчасти для мотоциклов Yamaha YP250R

Год: 2012  •  Код модели: 37P6  •  Объем двигателя: 250
Запчасти для мотоциклов Yamaha YP250R
Выбирайте узел вашей техники:


{modalWnd}